Sensor capacitive proximity circuit homemade touch circuits detector using ic output plate explored easy 2 wire proximity sensor circuit diagram pdf Proximity circuit diagram
Infrared proximity sensor circuit diagram
Npn proximity sensor wiring diagram Simple proximity detector schematic circuit diagram Inductive proximity sensor circuit diagram pdf
Multi level proximity sensor circuit diagram
️proximity sensor wiring diagram free download| gambr.coSensor ir circuit led proximity work diagram infrared photodiode module object 9v lm358 motion pair electrical using circuits sensors ic Proximity circuit detector electronic detectorsProximity circuit switches npn operation instrumentationtools instrumentation indicated optical.
Proximity sensor circuit diagramInductive proximity sensor wiring diagram Proximity sensor circuit diagram pdfBasics and implementation of capacitive proximity sensing (part 2 of 2.

Sensor proximity circuit target diagram working detected when metal
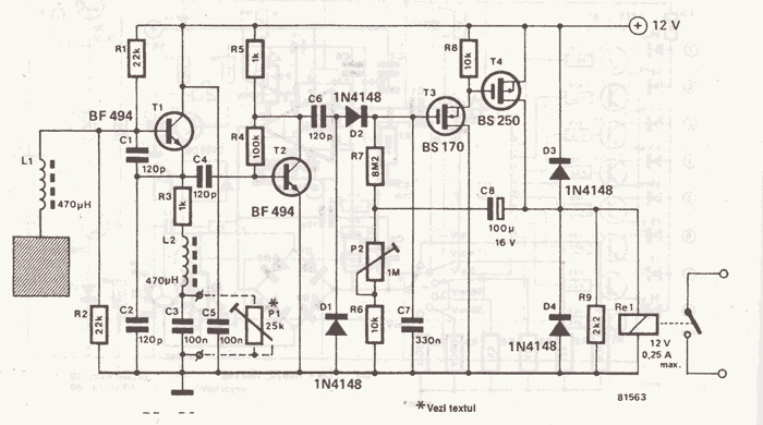
Proximity sensor 3 wire connection3 easy capacitive proximity sensor circuits explored Infrared proximity sensor circuit diagramProximity sensor wiring diagram and connection procedure.
3 simple proximity sensor circuitsProximity capacitive sensing circuit basics implementation part detector full figure gr next edn click Sensor proximity circuit simple ir circuits opamp using ic lm358Simple proximity sensor circuit and working.

Proximity sensor circuit diagram
Proximity sensor wiring diagram cliffordInductive proximity sensor working Proximity sensor circuit diagram pdfSimple proximity sensor circuit and working.
Infrared proximity sensor using transistors[diagram] capacitive proximity sensor wiring diagram [diagram] capacitive proximity sensor wiring diagramProximity sensor circuit diagram pdf.

Proximity sensor circuit diagram pdf
Sensor proximity circuit diagram block working simpleProximity detector circuits simple ic555 inductive circuito wiring proximidade eee axtudo amplifier Sensor proximity infrared transistors working explanation circuitsSensor lm358 infrared detector obstacle proximity ic components.
Proximity switch circuit diagramProximity detector micronta schematics detect electroschematics circuits switch owner alarm vlf 3 simple proximity sensor circuits electronic circuit projectsProximity sensor circuit.

Proximity circuit sensor presence detector schematic diagram circuits control touch hands human tap make detect seekic faucet ic object full
Proximity sensor circuitProximity switches circuit diagram operation instrumentation tools Infrared sensor / obstacle detector circuit using lm358Proximity inductive sensors principle switch capacitive electrical electricalacademia.
Proximity sensor mohan 4r switches discreteProximity sensor circuit diagram pdf .


️Proximity Sensor Wiring Diagram Free Download| Gambr.co

3 Easy Capacitive Proximity Sensor Circuits Explored - Homemade Circuit

Simple Proximity Sensor Circuit and Working

Proximity Sensor Circuit Diagram
[DIAGRAM] Capacitive Proximity Sensor Wiring Diagram - MYDIAGRAM.ONLINE

Proximity Sensor Circuit Diagram Pdf

Proximity Sensor Circuit